D125A
JSWAY
5, X1Y1Z1 + X2Z2
24 piezas
eléctrico
| Disponibilidad: | |
|---|---|
1. Sistema: FANUC Oi-TF Plus.
2. Husillo: husillo eléctrico de precisión de desarrollo propio de JSWAY.
3. Rodamiento de varilla de precisión japonés NSK-P4.
4. Riel guía de precisión P2 autolubricante HIWIN de Taiwán.
5. Varilla roscada de precisión Taiwán HIWIN C3.
6. Husillo principal y secundario: motor de husillo eléctrico FANUC de 2,2 KW.
7. Herramienta eléctrica S3 del lado del husillo principal ER16 x 4PCS con servomotor FANUC de 1KW.
8. Base de herramienta fija del extremo del husillo principal S5 ER16 x 4PCS + cabezal de potencia ER16 x 2PCS con servomotor FANUC.
9. Base del cortador del eje principal 12 x 12 mm x 8 piezas.
10. Base de herramienta fija S4 del extremo del subhusillo ER16 x 3 piezas + cabezal de potencia ER16 x 3 piezas con servomotor FANUC.
11. Componentes neumáticos AIRTAC de Taiwán.
12. Buzo de bomba de lubricante automático de personalización JSWAY.
13. Estación de alta presión de personalización JSWAY.
1. Sistema: FANUC Oi-TF Plus.
2. Husillo: husillo eléctrico de precisión de desarrollo propio de JSWAY.
3. Rodamiento de varilla de precisión japonés NSK-P4.
4. Riel guía de precisión P2 autolubricante HIWIN de Taiwán.
5. Varilla roscada de precisión Taiwán HIWIN C3.
6. Husillo principal y secundario: motor de husillo eléctrico FANUC de 2,2 KW.
7. Herramienta eléctrica S3 del lado del husillo principal ER16 x 4PCS con servomotor FANUC de 1KW.
8. Base de herramienta fija del extremo del husillo principal S5 ER16 x 4PCS + cabezal de potencia ER16 x 2PCS con servomotor FANUC.
9. Base del cortador del eje principal 12 x 12 mm x 8 piezas.
10. Base de herramienta fija S4 del extremo del subhusillo ER16 x 3 piezas + cabezal de potencia ER16 x 3 piezas con servomotor FANUC.
11. Componentes neumáticos AIRTAC de Taiwán.
12. Buzo de bomba de lubricante automático de personalización JSWAY.
13. Estación de alta presión de personalización JSWAY.
Artículo |
D125D |
|
Sistema |
FANUC |
Oi-TF Plus |
Capacidad de procesamiento |
Máx. diámetro de mecanizado |
Ø2mm-Ø12mm |
Longitud máxima de mecanizado único |
Máx. material triple diámetro (sin casquillo guía) /125 mm (con casquillo guía) |
|
Husillo principal máx. diámetro de perforación |
Ø10mm |
|
Diámetro máximo de roscado del husillo principal |
M8 |
|
Diámetro del orificio pasante del husillo principal |
Ø19mm |
|
Husillo principal máx. velocidad de giro |
10000 rpm |
|
Lado máx. diámetro de perforación |
Ø10mm |
|
Lado máx. diámetro de roscado |
M6 |
|
Fresado lateral máx. velocidad |
5500 rpm |
|
Subhusillo máx. diámetro de la barra de sujeción |
Ø12mm |
|
Subhusillo máx. longitud de la extensión |
120mm |
|
Subhusillo máx. diámetro de perforación |
Ø10mm |
|
Subhusillo máx. diámetro de roscado |
M8 |
|
Subhusillo máx. velocidad de giro |
10000 rpm |
|
Diámetro de perforación de la herramienta del subhusillo |
Ø8mm |
|
base de herramientas y potencia del motor |
Cortador de husillo principal |
8 bases de corte de 12x12 mm. |
Herramienta lateral del husillo principal |
4 Uds. Herramienta eléctrica ER16 |
|
Herramienta de extremo del husillo principal |
Base de herramienta fija 4 Uds ER16 + herramienta eléctrica 2 uds ER16 |
|
Herramienta de extremo del subhusillo |
Base de herramienta fija 3 uds ER16 + herramienta eléctrica 3 uds ER16 |
|
velocidad de movimiento |
30 m/min (Y1/Z1/X2/Z2) 20 m/min (X1) |
|
Precisión de alimentación |
0.001 |
|
Potencia del husillo principal |
2200W |
|
Potencia del subhusillo |
2200W |
|
Potencia del motor del lado principal |
1000W |
|
Potencia del motor del extremo del husillo principal |
750W |
|
Potencia del motor del extremo del subhusillo |
1000W |
|
Potencia del motor de alimentación |
El eje Z1 alimenta la potencia del servomotor. |
1200W |
El eje X1 alimenta la potencia del servomotor. |
750W |
|
El eje Y1 alimenta la potencia del servomotor |
1200W (freno) |
|
El eje Z2 alimenta la potencia del servomotor. |
750W |
|
El eje X2 alimenta la potencia del servomotor |
750W |
|
Máquina |
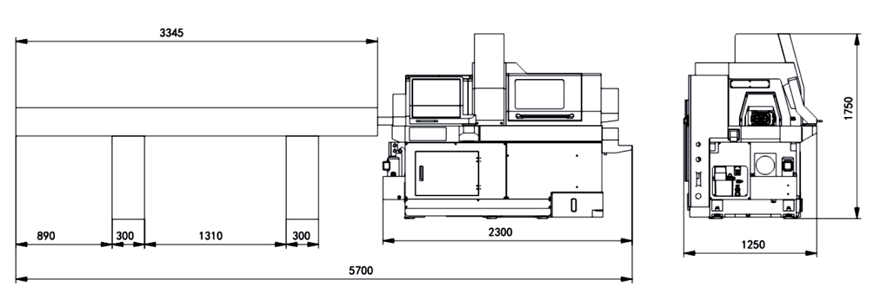
Dimensión |
Alrededor de L2300xW1250xH1750mm |
peso total |
Alrededor de 2600 kg |
|
Artículo |
D125D |
|
Sistema |
FANUC |
Oi-TF Plus |
Capacidad de procesamiento |
Máx. diámetro de mecanizado |
Ø2mm-Ø12mm |
Longitud máxima de mecanizado único |
Máx. material triple diámetro (sin casquillo guía) /125 mm (con casquillo guía) |
|
Husillo principal máx. diámetro de perforación |
Ø10mm |
|
Diámetro máximo de roscado del husillo principal |
M8 |
|
Diámetro del orificio pasante del husillo principal |
Ø19mm |
|
Husillo principal máx. velocidad de giro |
10000 rpm |
|
Lado máx. diámetro de perforación |
Ø10mm |
|
Lado máx. diámetro de roscado |
M6 |
|
Fresado lateral máx. velocidad |
5500 rpm |
|
Subhusillo máx. diámetro de la barra de sujeción |
Ø12mm |
|
Subhusillo máx. longitud de la extensión |
120mm |
|
Subhusillo máx. diámetro de perforación |
Ø10mm |
|
Subhusillo máx. diámetro de roscado |
M8 |
|
Subhusillo máx. velocidad de giro |
10000 rpm |
|
Diámetro de perforación de la herramienta del subhusillo |
Ø8mm |
|
base de herramientas y potencia del motor |
Cortador de husillo principal |
8 bases de corte de 12x12 mm. |
Herramienta lateral del husillo principal |
4 Uds. Herramienta eléctrica ER16 |
|
Herramienta de extremo del husillo principal |
Base de herramienta fija 4 Uds ER16 + herramienta eléctrica 2 uds ER16 |
|
Herramienta de extremo del subhusillo |
Base de herramienta fija 3 uds ER16 + herramienta eléctrica 3 uds ER16 |
|
velocidad de movimiento |
30 m/min (Y1/Z1/X2/Z2) 20 m/min (X1) |
|
Precisión de alimentación |
0.001 |
|
Potencia del husillo principal |
2200W |
|
Potencia del subhusillo |
2200W |
|
Potencia del motor del lado principal |
1000W |
|
Potencia del motor del extremo del husillo principal |
750W |
|
Potencia del motor del extremo del subhusillo |
1000W |
|
Potencia del motor de alimentación |
El eje Z1 alimenta la potencia del servomotor. |
1200W |
El eje X1 alimenta la potencia del servomotor. |
750W |
|
El eje Y1 alimenta la potencia del servomotor |
1200W (freno) |
|
El eje Z2 alimenta la potencia del servomotor. |
750W |
|
El eje X2 alimenta la potencia del servomotor |
750W |
|
Máquina |
Dimensión |
Alrededor de L2300xW1250xH1750mm |
peso total |
Alrededor de 2600 kg |
|
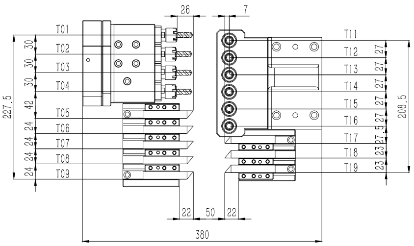
Diseño de herramientas :
Herramienta de husillo principal

Herramienta de subhusillo

Dimensión de la máquina (con alimentador como referencia)

Diseño de herramientas :
Herramienta de husillo principal

Herramienta de subhusillo

Dimensión de la máquina (con alimentador como referencia)

Nos complace anunciar la última incorporación a nuestra línea de maquinaria de vanguardia, el torno suizo CNC de 5 ejes con sistema Fanuc de husillo eléctrico D125A. Diseñado para revolucionar los procesos de mecanizado de precisión, este torno de última generación ofrece precisión, eficiencia y versatilidad inigualables.
Características clave:
Husillo eléctrico: El D125A está equipado con un potente husillo eléctrico que garantiza una rotación de alta velocidad, proporcionando una eficiencia y precisión óptimas. Esta característica permite operaciones de mecanizado fluidas y continuas, lo que da como resultado productos finales de calidad excepcional.
Sistema Fanuc: Al integrar el renombrado sistema Fanuc, el D125A ofrece capacidades de programación y control incomparables. Este sistema altamente confiable y fácil de usar permite a los operadores programar fácilmente trayectorias de herramientas complejas y administrar varios parámetros de mecanizado, lo que garantiza resultados superiores en cada operación.
Tecnología CNC de 5 ejes: La incorporación de la tecnología CNC de 5 ejes en este torno abre infinitas posibilidades para tareas de mecanizado complejas y multifacéticas. Con la capacidad de inclinar o girar la pieza de trabajo en múltiples direcciones, la D125A permite la producción de geometrías complejas con una precisión excepcional, ahorrando tiempo y recursos.
Diseño de torno suizo: El D125A sigue el concepto de diseño de torno suizo y presenta una estabilidad y rigidez excepcionales. Este diseño garantiza un funcionamiento suave incluso durante el mecanizado a alta velocidad, reduciendo la vibración y mejorando la precisión. El diseño del cabezal deslizante proporciona excelente accesibilidad y visibilidad durante el proceso de mecanizado, lo que contribuye a mejorar la productividad.
Versatilidad: el D125A es adecuado para una amplia gama de industrias, incluidas la automotriz, médica y electrónica. Puede manejar sin esfuerzo diversos materiales como acero, aluminio, titanio y plásticos, lo que la convierte en una solución ideal para diversas aplicaciones de fabricación.
Funciones de seguridad mejoradas: La seguridad es de suma importancia para nosotros. La D125A está equipada con funciones de seguridad avanzadas, que incluyen botones de parada de emergencia, detección automática de rotura de herramientas y carcasas protectoras. Estas características garantizan el bienestar de los operadores y protegen la maquinaria de posibles accidentes.
Nos complace anunciar la última incorporación a nuestra línea de maquinaria de vanguardia, el torno suizo CNC de 5 ejes con sistema Fanuc de husillo eléctrico D125A. Diseñado para revolucionar los procesos de mecanizado de precisión, este torno de última generación ofrece precisión, eficiencia y versatilidad inigualables.
Características clave:
Husillo eléctrico: El D125A está equipado con un potente husillo eléctrico que garantiza una rotación de alta velocidad, proporcionando una eficiencia y precisión óptimas. Esta característica permite operaciones de mecanizado fluidas y continuas, lo que da como resultado productos finales de calidad excepcional.
Sistema Fanuc: Al integrar el renombrado sistema Fanuc, el D125A ofrece capacidades de programación y control incomparables. Este sistema altamente confiable y fácil de usar permite a los operadores programar fácilmente trayectorias de herramientas complejas y administrar varios parámetros de mecanizado, lo que garantiza resultados superiores en cada operación.
Tecnología CNC de 5 ejes: La incorporación de la tecnología CNC de 5 ejes en este torno abre infinitas posibilidades para tareas de mecanizado complejas y multifacéticas. Con la capacidad de inclinar o girar la pieza de trabajo en múltiples direcciones, la D125A permite la producción de geometrías complejas con una precisión excepcional, ahorrando tiempo y recursos.
Diseño de torno suizo: El D125A sigue el concepto de diseño de torno suizo y presenta una estabilidad y rigidez excepcionales. Este diseño garantiza un funcionamiento suave incluso durante el mecanizado a alta velocidad, reduciendo la vibración y mejorando la precisión. El diseño del cabezal deslizante proporciona excelente accesibilidad y visibilidad durante el proceso de mecanizado, lo que contribuye a mejorar la productividad.
Versatilidad: el D125A es adecuado para una amplia gama de industrias, incluidas la automotriz, médica y electrónica. Puede manejar sin esfuerzo diversos materiales como acero, aluminio, titanio y plásticos, lo que la convierte en una solución ideal para diversas aplicaciones de fabricación.
Funciones de seguridad mejoradas: La seguridad es de suma importancia para nosotros. La D125A está equipada con funciones de seguridad avanzadas, que incluyen botones de parada de emergencia, detección automática de rotura de herramientas y carcasas protectoras. Estas características garantizan el bienestar de los operadores y protegen la maquinaria de posibles accidentes.